363.3787-01 (Энергомаш)
Предназначено для включения/выключения электрических цепей при достижении определенной температуры. Реле используются в сетях постоянного тока с напряжением до 30В и максимальным коммутируемым током 25А. Температура и гистерезис включения/выключения настраиваются по требованию заказчика от -45°С до +125°С.
В комплект входит микропроцессорный датчик температуры с проводами и соединительной пяти контактной колодкой, что позволяет размещать реле в удобном для монтажа месте. Расположение датчика непосредственно в зоне контроля температуры позволяет достигнуть высокой точности срабатывания реле.
Реле поставляется настроенным на диапазон срабатывания необходимый заказчику. При заказе уточняйте температуру включения и выключения. Для тех кто самостоятельно хочет устанавливать температуру включения/выключения - необходимо приобрести приспособление для настройки, при этом настройка осуществляется посредством двух встроенных многооборотных резисторов.

Установка и подключение:
1. Закрепить колодку реле в наиболее удобном месте так, чтобы длины провода термодатчика хватило до зоны контроля температуры.
2. Расположить термодатчик непосредственно в зоне контроля температуры. Внимание!Не допускается расположение датчика температуры в агрессивных и жидких средах.
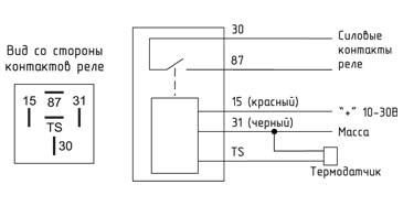
3. Произвести подключение в соответствии со схемой.
4. Установить реле в колодку.
Режим работы:
Реле начинает работать сразу после подачи питания. Силовые контакты реле замыкаются при достижении термодатчиком температуры включения и размыкаются при достижении температуры выключения.
Технические характеристики:
| Название | Показания |
|---|---|
| Температура включения/выключения, °C | -45...+125 |
| Погрешность, не более, °C | 0,5 |
| Напряжение питания, В | 10-30 |
| Ток коммутации, А | 25 |
| Провод коммутации, мм | 200 |
| Провод питания, мм | 200 |
| Провод с термодатчиком, мм | 2500 |
| Габаритные размеры реле, мм | 40х28х25 |
| Масса реле, не более, кг | 0,02 |