Реле времени "Регтайм" регулируемые
Реле используются для включения на (РЕГТАЙМ1), через (РЕГТАЙМ2) или с задержкой выключения на (РЕГТАЙМ3) определенное время. РЕГТАЙМ5 представляет из себя генератор импульсов, длительность и частота которых регулируются двумя многооборотными подстроечными резисторами.
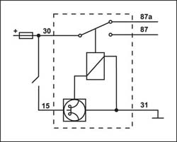
Изделия выполнены по схеме с таймером, управляющим силовым переключающим реле.
Реле работают по однопроводной схеме, в которой с корпусом автомобиля соединен отрицательный вывод источника питания, и работают только при поданном напряжении.
Реле изготовлены с возможностью ручной регулировки времени работы. Регулировка осуществляется с помощью подстроечного резистора через отверстие в корпусе реле. Для контроля срабатывания предусмотрен светодиод под полупрозрачным корпусом изделия. Для удобства ручной регулировки разработаны реле двухвременных диапазонов: от 0 до 60, от 60 до 600.
Возможно изготовление реле с фиксированным временем работы или другим диапазоном регулировки по требованию заказчика (от 100 штук).

