РЕГТАЙМ6-24 (Энергомаш)
Вес:
20
гр.
РЕГТАЙМ6-24 (Энергомаш)
Количество:
1 033,26
руб.
Есть в наличии


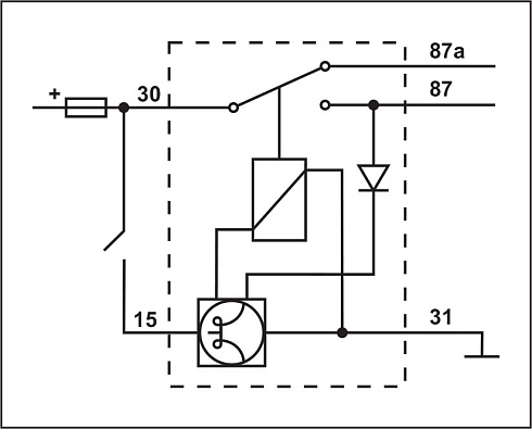
Предназначено для коммутации электрических цепей постоянного тока с номинальным напряжением 24В и используется для включения устройств по алгоритму в соответствии с диаграммами (рис.2).
В реле предусмотрены функции выбора единиц отсчета времени (с, мин, ч), выбора режима работы и установки времени работы. Установка режимов и времени осуществляется с помощью кнопки через отверстие в корпусе реле.
Визуальная диагностика работы реле обеспечивается за счет применения в конструкции изделия встроенного светодиода и полупрозрачного корпуса.
В комплект поставки входит защитный диод с проводами.
Применяется на автомобилях любой марки.
Характеристики
| Номинальное напряжение, В | 24 |
| Максимальный ток коммутации, А | 20 |
| Ток потребления, не более, мА | 35 |
| Время работы, с/мин/ч | 0-600 |
| Габаритные размеры реле, мм | 40х28х25 |
| Масса не более, г | 20 |
Документы
-
Номинальное напряжение, В24
-
Режим работы1, 2, 3, 5, Универсально
-
Время работы(0-60) с, (60-600) с, (600-6000) с, (0-600) с, (0-600) ч