РЕГТАЙМ5-12-(0-600) (Энергомаш)

Предназначено для коммутации электрических цепей постоянного тока с номинальным напряжением 12В и используется для генерации импульсов различной длительности.
В реле предусмотрены ручная регулировка и визуальная диагностика длительности импульсов. Регулировка осуществляется подстроечными многооборотными резисторами через отверстия в корпусе.
Визуальная диагностика работы реле обеспечивается за счет применения в конструкции изделия встроенного светодиода и полупрозрачного корпуса.
Применяется на автомобилях любой марки.
Характеристики
| Номинальное напряжение, В | 12 |
| Ток коммутации, А | 25 |
| Ток потребления, мА | 50 |
| Время работы, с | (0-600)/(0-600) |
| Подстроечный резистор, об | 11 |
| Применяемость | Автомобили любой марки с напряжением бортовой сети 12В |
| Габаритные размеры, мм | 40х28х25 |
| Масса, г | 20 |
Описание
ИНСТРУКЦИЯ ПО МОНТАЖУ И ЭКСПЛУАТАЦИИ
1 Настройка
1.1 Подать питание на реле («31» - минус, «15» - плюс).
1.2 Измерить длительность импульсов, контролируя по светодиоду.
1.3 Настроить реле с помощью подстроечных резисторов.
1.4 Проверить время работы, повторив п.1.1, 1,2.
1.5 При необходимости, повторить п.п. 1.3, 1.4.
2 Установка и подключение
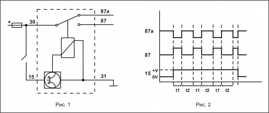
2.1 Подключить реле по схеме (рис.1).
2.2 Реле начинает работать после подачи напряжения питания на вывод «15», и в процессе работы должно быть постоянно запитано (рис.2). Поэтому, для включения/выключения реле, следует использовать кнопку с фиксацией (или тумблер).

Документы
-
Номинальное напряжение, В12
-
Режим работы5
-
Время работы(0-60) с, (60-600) с, (0-600) с