РЕГТАЙМ3-12-(0-60) (для вкл/выкл и задержки выкл/вкл устройств на 0-60с)

Предназначено для коммутации электрических цепей постоянного тока с номинальным напряжением 12В и используется для включения и задержки выключения устройств на определенное время.
В реле предусмотрены ручная регулировка и визуальная диагностика времени работы. Регулировка осуществляется подстроечным многооборотным резистором через отверстие в корпусе.
Визуальная диагностика работы реле обеспечивается за счет применения в конструкции изделия встроенного светодиода и прозрачного корпуса.
В комплект поставки входит защитный диод с проводами.
Применяется на автомобилях любой марки.
Характеристики
| Номинальное напряжение, В | 12 |
| Ток коммутации, А | 25 |
| Ток потребления, мА | 50 |
| Время работы, с | 0-60 |
| Подстроечный резистор, об | 11 |
| Применяемость | Автомобили любой марки с напряжением бортовой сети 12В |
| Габаритные размеры, мм | 40х28х25 |
| Масса, г | 20 |
Описание
ИНСТРУКЦИЯ ПО МОНТАЖУ И ЭКСПЛУАТАЦИИ
1 Подключение
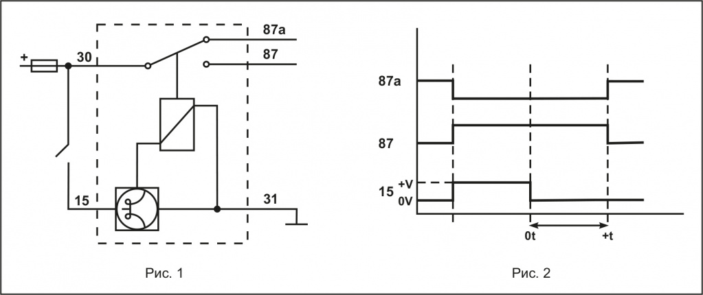
1.1 Подключить реле по схеме (рис.1).
1.2 При подключении индуктивной нагрузки, подсоединить параллельно ей защитный диод (из комплекта), соблюдая полярность: желтый провод от диода - к «-» нагрузки, синий - к «+» нагрузки.
2 Настройка
2.1 Подать питание на реле («31» - «минус», «15» и «30» - «+»), светодиод загорится.
2.2 Снять питание с вывода «15» и измерить время работы.
Светодиод погаснет через заданное время после снятия питания с вывода «15».
2.3 Настроить реле на необходимое время с помощью подстроечного резистора.
2.4 Проверить время работы, повторив п.п.2.1, 2.2.
2.5 При необходимости, повторить п.п. 2.3, 2.4
Примечание: Реле начинает работать после подачи напряжения питания на вывод «15» при постоянно запитанном выводе «30». Отсчет времени начнется после снятия питания с вывода «15» (рис.2).

Документы
-
Номинальное напряжение, В12
-
Режим работы3
-
Время работы(0-60) с