РЕГТАЙМ1-12-(600-6000) (для вкл/выкл устройств на 600-6000с)
/c1f830f2fcde12f5be322ddcca7fb78a.gif)
Предназначено для коммутации электрических цепей постоянного тока с номинальным напряжением 12В и используется для включения или выключения устройств на определенное время.
В реле предусмотрены ручная регулировка и визуальная диагностика времени работы. Регулировка осуществляется подстроечным многооборотным резистором через отверстие в корпусе.
Визуальная диагностика работы реле обеспечивается за счет применения в конструкции изделия встроенного светодиода и прозрачного корпуса.
Применяется на автомобилях любой марки.
Характеристики
| Номинальное напряжение, В | 12 |
| Ток коммутации, А | 25 |
| Ток потребления, мА | 50 |
| Время работы, с | 0-60 |
| Подстроечный резистор, об | 11 |
| Применяемость | Автомобили любой марки с напряжением бортовой сети 12В |
| Габаритные размеры, мм | 40х28х25 |
| Масса, г | 20 |
Описание
ИНСТРУКЦИЯ ПО МОНТАЖУ И ЭКСПЛУАТАЦИИ
1 Настройка
1.1 Подать питание на реле («31» - «-», «15» - «+»), светодиод загорится.
1.2 Измерить время работы. Светодиод погаснет через заданное время.
1.3 Настроить реле на необходимое время с помощью подстроечного резистора.
1.4 Проверить время работы, повторив п.1.1, 1,2.
1.5 При необходимости, повторить п.п. 1.3, 1.4.
2 Установка и подключение
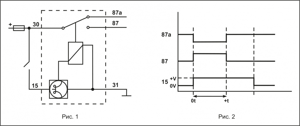
2.1 Подключить реле по схеме (рис.1).
2.2 Реле начинает работать после подачи напряжения питания на вывод «15» и в процессе работы должно быть всегда запитано (рис.2). Поэтому, для включения/выключения реле, следует использовать кнопку с фиксацией (или тумблер).
/d04201c46d6cc0bc4bb7ac053ab2fd5b.jpg)
Документы
-
Номинальное напряжение, В12
-
Режим работы1
-
Время работы(600-6000) с