Дистанционный выключатель массы ДВМ1
Предназначен для отключения АКБ автомобиля при неработающем ДВС или при неисправных электрических цепях. Выключатель рассчитан для работы в однопроводной схеме электрооборудования постоянного тока с номинальным напряжением бортовой сети 12В.
Выключатель массы выполнен в герметичном корпусе с установленными внутри: силовым бистабильным реле (Gruner), платой управления на основе микроконтроллера и клеммной колодкой для подключения управляющего кабеля.
На корпусе изделия установлены 3 гермоввода для подключения силовых и управляющего кабелей.
Включение и выключение реле осуществляется кнопкой с фиксацией и подсветкой (выключателем), в комплект не входит.
Схема управления автоматически определяет замкнутое состояние силовых контактов реле и, в зависимости от него, включает или выключает подсветку кнопки.
Устройство обеспечивает коммутацию как “-”, так и “+” цепей.
Характеристики
| Номинальное напряжение, В | 12 |
| Максимальный рабочий ток, A | 1500 |
| Номинальный ток переключения, А | 250 |
| Ток потребления (при выкл. индикации), не более, мА | 1 |
| Ток управления, не более, мА | 1,5 |
| Максимальная мощность подсветки кнопки, Вт | 4 |
| Сопротивление контактной группы, типовое, Ом | 0,3 |
| Степень защиты | IP65 |
| Температура эксплуатации, °C | -40°C...+85°C |
| Присоединительные резьбовые клеммы | М8 |
| Габаритные размеры, мм | 230х106х55 |
| Гермовводы | PG16 (для силовых проводов), PG07 |
| Диаметр силового кабеля, мм | 9-14 |
| Диаметр управляющего кабеля, мм | 3-6,5 |
| Материал корпуса | пластик |
| Масса, кг | 0,4 |
ИНСТРУКЦИЯ ПО МОНТАЖУ И ЭКСПЛУАТАЦИИ
1 Установка и подключение
1.1 Выбрать место, подходящее для установки устройства в непосредственной близости от аккумулятора
1.2 Отключить провод «массы» от аккумулятора!
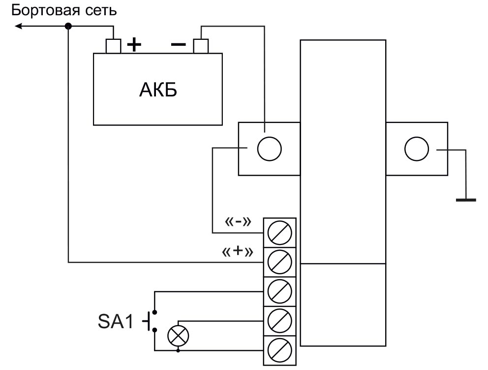
1.3 Пропустить провода через гермовводы и подключить силовые провода (сечением не менее 25мм²) к болтовым контактам реле, провода управляющего кабеля - к клеммным контактам в соответствии со схемой (рис.1).
1.4 Закрепить устройство на кузов автомобиля.

Подробнее об изделии:
-
Максимальный ток, А1500 А