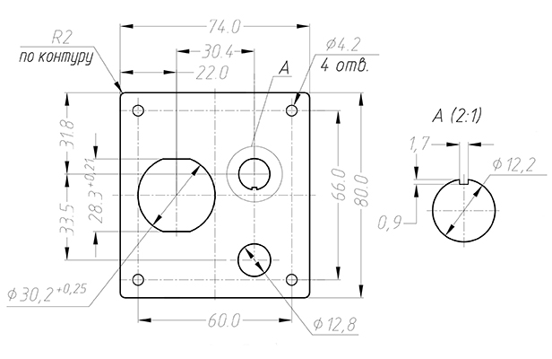
Панель для индикатора ПИ5-1-1-0
Вес:
35
гр.
Панель для индикатора ПИ5-1-1-0
Количество:
158,10
руб.
Есть в наличии
материал - алюминий 2мм; цвет - черный
