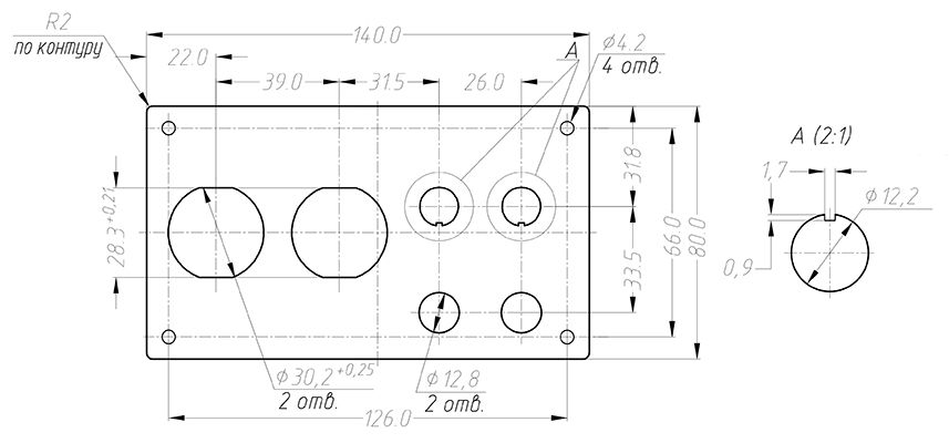
Панель для индикатора ПИ5-2-2-0
Вес:
55
гр.
Панель для индикатора ПИ5-2-2-0
Количество:
324,36
руб.
Есть в наличии
материал - алюминий 2мм; цвет - черный
