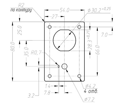
Панель для индикатора ИМ5-РМ2
Вес:
20
гр.
Панель для индикатора ИМ5-РМ2
Количество:
154,02
руб.
Есть в наличии
Крепление М3, в комплект поставки не входит.
Габаритные размеры, мм 80х54х2
