РЕЗВУН 13-01 (IP67)
Вес:
270
гр.
РЕЗВУН 13-01 (IP67)
Количество:
2 130,78
руб.
Есть в наличии
Предназначен для работы в низковольтных цепях постоянного тока и служит для подачи звукового сигнала при подключении к нему напряжения питания.
Может применяться в качестве дополнительного устройства, предупреждающего звуковым сигналом о включении задней передачи на транспортных средствах.
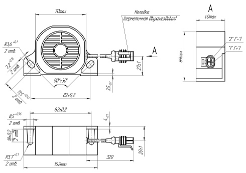
Представляет собой герметичный излучатель звука с герметичной двухгнездовой колодкой AMP.
/34bdbf44847804cfbe1cab598cee9505.jpeg)
Характеристики
| Номинальное напряжение, В | 12/24 |
| Ток потребления, мА | 500 |
| Тип сигнала | прерывистый |
| Уровень звука, дБ/м | 102±4 |
| Степень защиты | IP67 |
| Габаритные размеры, мм | 102х71х41 |
| Масса, г | 300 |
Описание
Рекомендации по монтажу
1 Установить индикатор в месте, обеспечивающем наилучшую слышимость пешеходами звукового сигнала.
2 Произвести электрическое соединение в соответствии со схемой 1.
Для подключения применять герметичную двухштыревую колодку AMP.
Документы
-
Номинальное напряжение, В12, 24
-
Тип сигнализацииПрерывистый